

Scan QR code for more information
Call the company number
+86-29-88325620
CS-iTWGM-02
- Product Introduction
- Technical Parameters
- Model Selection Guide
The manhole cover+combustible gas monitor is installed on the back of the manhole cover, which is placed horizontally as a normal state. When a manhole cover tilts and meets the alarm trigger conditions (for example, the tilt angle exceeds 10° (the angle can be set)), or when the concentration of combustible gas in the manhole exceeds the set threshold, an alarm will be triggered. The terminal will send the alarm signal to the monitoring center via wireless transmission, and the monitoring center will parse the data and determine the alarm situation.
The device, shown in Figure 1, can provide two wireless communication modes: NB-IOT, LORAWAN. It is powered by battery, and features easy mounting, long battery life, high detection accuracy and stable operation.

Figure 1 Manhole Cover+Combustible Gas Monitor
Working principle
The manhole cover+combustible gas monitor is installed on the back of the manhole cover. The intelligent monitoring terminal for manhole cover movement and harmful gases is installed on the back of the manhole cover. The terminal measures the current tilt angle of the manhole cover via an acceleration sensor and monitors the concentration of harmful gases through a MEMS gas sensor. An alarm will be triggered when the tilt angle exceeds the set alarm value, or when the concentration of combustible gases surpasses the threshold (an unconditional alarm will be activated if the tilt angle is greater than 90°). The alarm information will then be sent to the monitoring center via a wireless network.
The terminal supports setting parameters such as the scheduled reporting interval, alarm angle threshold, gas sampling interval, and gas alarm concentration threshold. In the non-alarm state, the terminal sends report messages at the scheduled reporting interval. In the alarm state, the terminal sends report messages immediately; when the state returns to normal, the terminal also sends a message to the platform immediately. The "device status" bit in the message is used to indicate the current alarm state. The "device status" bit can also indicate the current power status and other states.
Main technical parameters
The main technical indicators of the manhole cover+combustible gas monitor are shown in Table 1.
Table 1 Main technical parameters

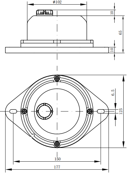
Dimensions
The shape and size of the manhole cover+combustible gas monitor sensor are shown in Figure 2 .

Figure 2 Dimensional drawing
4HY-133压力变送器是采用陶瓷材料经特殊工艺精制而成的干式陶瓷压阻压力传感器,陶瓷是一种公认的高弹性、抗腐蚀、抗磨损、抗冲击和振动的材料。陶瓷的热稳定特性及它的厚膜电阻可以使它的工作温度范围高达-40~135℃,而且具有测量的高精度、高稳定性。电气绝缘程度>2kV,输出信号强,长期稳定性好。高特性,低价格的陶瓷传感器将是压力传感器的发展方向,在欧美国家有全面替代其它类型传感器的趋势,在中国也越来越多的用户使用陶瓷传感器替代扩散硅压力传感器。
HY-133干式陶瓷压力传感器被广泛地应用在:过程控制、环境控制、液压和气动设备、伺服阀门和传动、化学制品和化学工业及医用仪表等众多领域。它的尺寸小,直径18mm,量程范围1~500bar,价格低,被广泛的应用在各种测量压力的场合。
HY-133压力变送器是采用陶瓷材料经特殊工艺精制而成的干式陶瓷压阻压力传感器,陶瓷是一种公认的高弹性、抗腐蚀、抗磨损、抗冲击和振动的材料。陶瓷的热稳定特性及它的厚膜电阻可以使它的工作温度范围高达-40~135℃,而且具有测量的高精度、高稳定性。电气绝缘程度>2kV,输出信号强,长期稳定性好。高特性,低价格的陶瓷传感器将是压力传感器的发展方向,在欧美国家有全面替代其它类型传感器的趋势,在中国也越来越多的用户使用陶瓷传感器替代扩散硅压力传感器。
HY-133干式陶瓷压力传感器被广泛地应用在:过程控制、环境控制、液压和气动设备、伺服阀门和传动、化学制品和化学工业及医用仪表等众多领域。它的尺寸小,直径18mm,量程范围1~500bar,价格低,被广泛的应用在各种测量压力的场合。
Related Products
Manhole Cover Movement Monitor( Water level inside)
CS-iTWM-05D
- +86-29-88325620
- sales@websensor.com
- 840254547























