

Scan QR code for more information
Call the company number
+86-29-88325620
CS-iTWMD
- Product Introduction
- Technical Parameters
- Model Selection Guide
The water immersion monitor is installed on the back of the manhole cover, which is placed horizontally as a normal state. The alarm condition is trigerred when the manhole cover is tilted and the inclination angle is over 10° (configurable) or the water level exceeding the limit. The alarm signal is sent to the monitoring center through wireless transmission. Then, the monitoring center analyzes the data and judges the alarm.
The device, shown in Figure 1, can provide two wireless communication modes: NB-IOT, CAT.1. It is powered by battery, and features easy mounting, long battery life, high detection accuracy and stable operation.

Figure 1 Water Immersion Monitor
Working principle
The water immersion monitor sensor is installed on the back of the manhole cover. It measures the current inclination angle of the manhole cover through the acceleration sensor. And It detects whether the water level exceeds the limit by water level float. The alarm condition is trigerred when the manhole cover is tilted and the inclination angle is over 10° (configurable) or the water level exceeding the limit. The alarm signal is sent to the monitoring center through wireless transmission.
The device supports setting the timing reporting interval, and alarm angle threshold(default 10°). In the normal condition, the device sends the report message at the time interval of the periodic report. The status flag in the message can be used to determine whether it’s the alarm or normal status. When the device detects that the battery voltage is low, the device reports a low voltage warning message. The device sends the status information according to the set timing interval.
The conditions of abnormal movement are: ABS(current angle - initial angle) > alarm angle threshold or the water level is raising until the float floats upward(shown in Figure 2). When the condition is met, an alarm message is sent.

Figure 2 water level state
Main technical parameters
The main technical indicators of the water immersion monitor are shown in Table 1.
Table 1 Main technical parameters

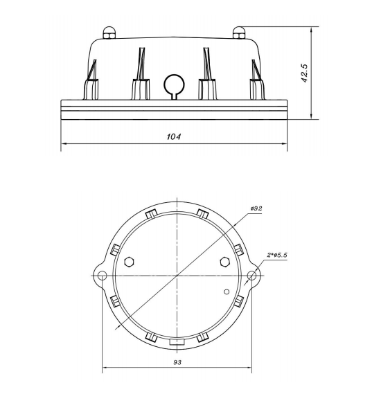
Dimensions
The shape and size of the water immersion monitor sensor are shown in Figure 3 .

Figure 3 Dimensional drawing
4HY-133压力变送器是采用陶瓷材料经特殊工艺精制而成的干式陶瓷压阻压力传感器,陶瓷是一种公认的高弹性、抗腐蚀、抗磨损、抗冲击和振动的材料。陶瓷的热稳定特性及它的厚膜电阻可以使它的工作温度范围高达-40~135℃,而且具有测量的高精度、高稳定性。电气绝缘程度>2kV,输出信号强,长期稳定性好。高特性,低价格的陶瓷传感器将是压力传感器的发展方向,在欧美国家有全面替代其它类型传感器的趋势,在中国也越来越多的用户使用陶瓷传感器替代扩散硅压力传感器。
HY-133干式陶瓷压力传感器被广泛地应用在:过程控制、环境控制、液压和气动设备、伺服阀门和传动、化学制品和化学工业及医用仪表等众多领域。它的尺寸小,直径18mm,量程范围1~500bar,价格低,被广泛的应用在各种测量压力的场合。
HY-133压力变送器是采用陶瓷材料经特殊工艺精制而成的干式陶瓷压阻压力传感器,陶瓷是一种公认的高弹性、抗腐蚀、抗磨损、抗冲击和振动的材料。陶瓷的热稳定特性及它的厚膜电阻可以使它的工作温度范围高达-40~135℃,而且具有测量的高精度、高稳定性。电气绝缘程度>2kV,输出信号强,长期稳定性好。高特性,低价格的陶瓷传感器将是压力传感器的发展方向,在欧美国家有全面替代其它类型传感器的趋势,在中国也越来越多的用户使用陶瓷传感器替代扩散硅压力传感器。
HY-133干式陶瓷压力传感器被广泛地应用在:过程控制、环境控制、液压和气动设备、伺服阀门和传动、化学制品和化学工业及医用仪表等众多领域。它的尺寸小,直径18mm,量程范围1~500bar,价格低,被广泛的应用在各种测量压力的场合。
Related Products
Manhole Cover Movement Monitor( Water level inside)
CS-iTWM-05D
- +86-29-88325620
- sales@websensor.com
- 840254547























