

Scan QR code for more information
Call the company number
+86-29-88325620
CS-WPT300G
- Product Introduction
- Technical Parameters
- Model Selection Guide
Description
WPT300G pressure transmitter for refrigeration with fully welded structure is widely used in air conditioning, refrigeration and heat pump systems. Industry standard 4~20mA signal output, international electrical connectors and pressure ports, all-welded structure, anti-condensation, suitable for refrigerant pressure measurement. This product allows to control and ensure that the system operates under safe and stable conditions.
Features
● Pressure and temperature integrated transmitter
● Dual-channel 4 to 20mA output
● Silicon oil sensor
● Sealed Gage
● All welded construction, no O-rings, no leakage risk
● Anti-condensation water
● Forward and reverse overvoltage
● High precision
Applications
● Maglev unit
● Cold water screw unit
● Water source heat pump unit
● Ground source heat pump unit
● Industrial refrigeration unit
Performance Specifications
Temperature:20~25℃; Power supply:12VDC ;Relative humidity:45%~75%; ambient atmospheric pressure:86KPa~101KPa;

Note 1:0barG=101.325kpaA (Define 1 atm as 0bar)
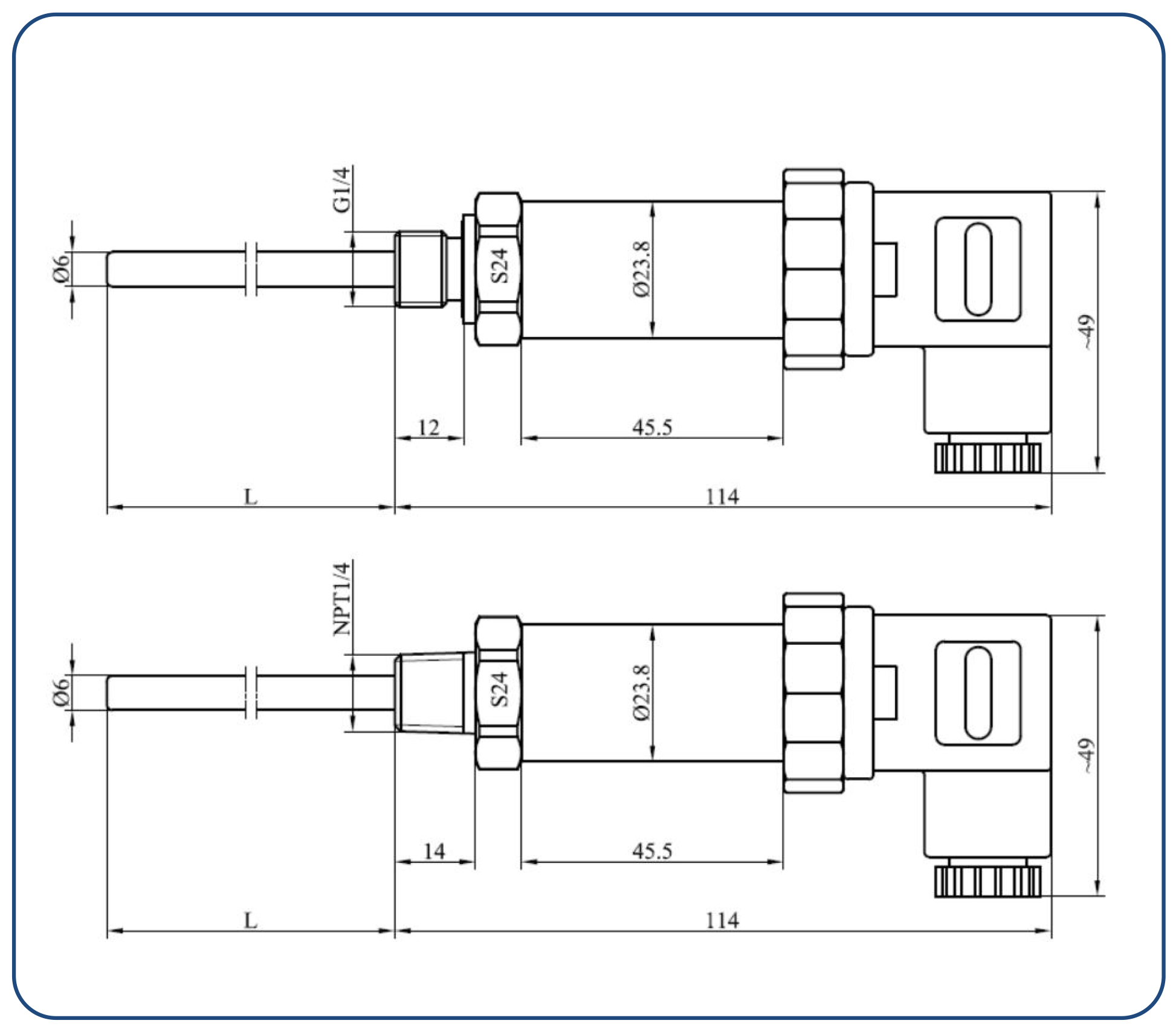
Note 2:When the length of the probe is greater than 50mm, it is recommended to add a probe protection sleeve to prevent damage to the probe due to the impact of the medium flow velocity on the temperature probe
Structure and Dimension (mm)

4HY-133压力变送器是采用陶瓷材料经特殊工艺精制而成的干式陶瓷压阻压力传感器,陶瓷是一种公认的高弹性、抗腐蚀、抗磨损、抗冲击和振动的材料。陶瓷的热稳定特性及它的厚膜电阻可以使它的工作温度范围高达-40~135℃,而且具有测量的高精度、高稳定性。电气绝缘程度>2kV,输出信号强,长期稳定性好。高特性,低价格的陶瓷传感器将是压力传感器的发展方向,在欧美国家有全面替代其它类型传感器的趋势,在中国也越来越多的用户使用陶瓷传感器替代扩散硅压力传感器。
HY-133干式陶瓷压力传感器被广泛地应用在:过程控制、环境控制、液压和气动设备、伺服阀门和传动、化学制品和化学工业及医用仪表等众多领域。它的尺寸小,直径18mm,量程范围1~500bar,价格低,被广泛的应用在各种测量压力的场合。
HY-133压力变送器是采用陶瓷材料经特殊工艺精制而成的干式陶瓷压阻压力传感器,陶瓷是一种公认的高弹性、抗腐蚀、抗磨损、抗冲击和振动的材料。陶瓷的热稳定特性及它的厚膜电阻可以使它的工作温度范围高达-40~135℃,而且具有测量的高精度、高稳定性。电气绝缘程度>2kV,输出信号强,长期稳定性好。高特性,低价格的陶瓷传感器将是压力传感器的发展方向,在欧美国家有全面替代其它类型传感器的趋势,在中国也越来越多的用户使用陶瓷传感器替代扩散硅压力传感器。
HY-133干式陶瓷压力传感器被广泛地应用在:过程控制、环境控制、液压和气动设备、伺服阀门和传动、化学制品和化学工业及医用仪表等众多领域。它的尺寸小,直径18mm,量程范围1~500bar,价格低,被广泛的应用在各种测量压力的场合。
Related Products
Pressure Transmitter
GU27
- MCS pressure elemente
- Type I:±0.5%F.S., ±0.2%F.S.,±0.1%F.S.,±0.05%F.S. (@15℃~35℃)
- Type II:±1%F.S.,±0.5%F.S.,±0.2%F.S., ±0.1%F.S. (@-40℃~+85℃)
- Gauge Pressure
- Absolute Pressure
- 10~30VDC
- 24VDC
- 15VDC
- 5VDC
- 10~30VDC
- 24VDC
- 15VDC
- 5VDC
- RS485
- 1~5V
- 4~20mA
- 30~40KHZ,TTL
- I²C
- +86-29-88325620
- sales@websensor.com
- 840254547
Pressure Transmitter
CS-PT300M
- +86-29-88325620
- sales@websensor.com
- 840254547
Pressure Transmitter
CS-PT1801
- +86-29-88325620
- sales@websensor.com
- 840254547
Pressure Transmitter
CS-PT1100A
- +86-29-88325620
- sales@websensor.com
- 840254547
Pressure Transmitter
CS-WPT300G
- +86-29-88325620
- sales@websensor.com
- 840254547
Pressure Transmitter
CS-PT830
- +86-29-88325620
- sales@websensor.com
- 840254547
Pressure Transmitter
CS-PT300S
- +86-29-88325620
- sales@websensor.com
- 840254547
























